Cég embléma
Információs sáv

Navigáció: Főmenü / Alkalmazási példák / Gyorsgőzfejlesztő és környezete

Animált óra

GYORSGŐZFEJLESZTŐ ÉS KÖRNYEZETE


alt


Az alkalmazás szerelvénykiírása és vázlatrajza letölthető pdf formátumban a Letölthető Anyagok menüpontra kattintás után.

Minden rendszer ajánlatunkat abban a formában adjuk ki, amely a letölthető pdf fájlban található.

Az alkalmazás azokat a berendezéseket tartalmazza, amelyek ahhoz szükségesek, hogy alacsony költségek mellett száraz telített gőzt állítsunk elő. Bizonyos szerelvények elhagyhatóak a feladat pontos ismeretében (pl. ha a nyomást nem szükséges +/- 0,1 bar értéken belül tartani, a nyomáscsökkentő elhagyható).

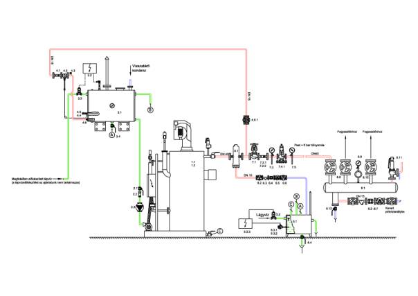
Az alkalmazás részei és funkciójuk:
Az 1.1 sz. tétel a gyorsgőzfejlesztő, amely egy csőnélküli köpenyes típus. Ennél a típusnál a kazánvíz szintjét egy meghatározott értéken tartjuk, ezért vízelragadás gyakorlatilag nincs – a termelt gőz jó minőségű. A 3.1 sz. tétel egy atmoszférikus kondenztartály, amelybe a visszatérő kondenzvíz valamint a megfelelően előkészített pótvíz érkezik. A 4.2 sz. szeleppel direktgőz befújással előmelegítjük a tápvizet. A pótvíz előkészítésének eszközei a rendelkezésre álló nyersvíz minőségétől függnek. A tökéletesen száraz telített gőzt a 6.1 sz. cseppleválasztó beépítésével biztosítjuk. A száraz gőz a 7.4.1 sz nyomáscsökkentő szelepen halad át. A magas hőmérsékletű csatornára vezetett kondenzvizek hűtésére az 5.1 sz. hűtőedényt alkalmazzuk.